Ngôn ngữ: |
Thành phần hoá học
Thành phần hoá học
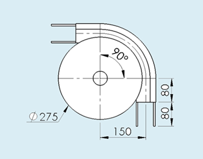
Góc 90 độ bán kính 150mm
To install this Web App in your iPhone/iPad press
and then Add to Home Screen.